东莞市意米精密机械有限公司
首 页
关于意米
产品展示
生产实力
视频中心
新闻动态
在线留言
联系我们
返回
产品展示
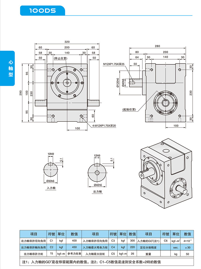
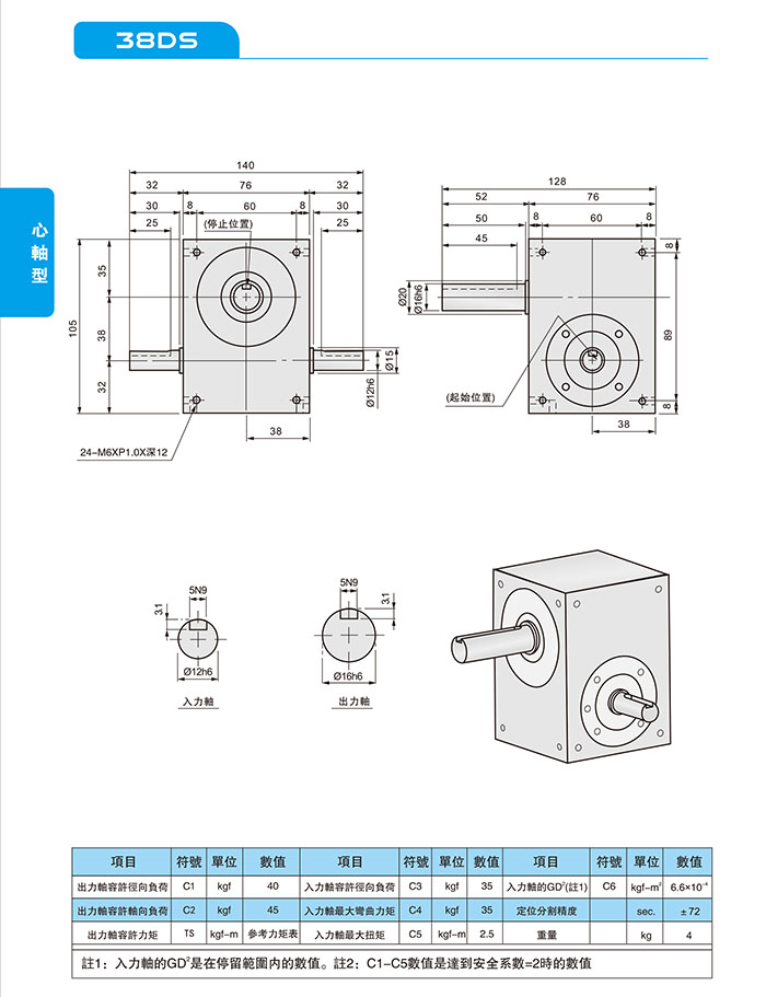
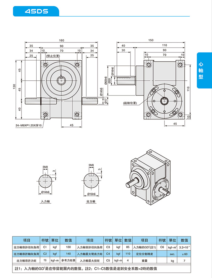
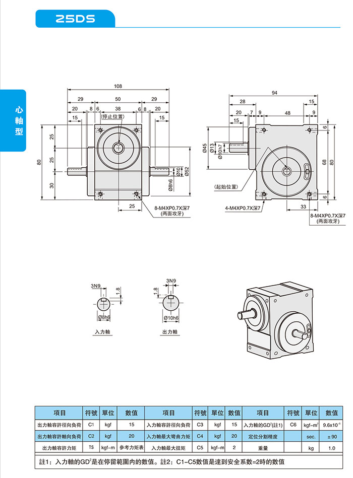
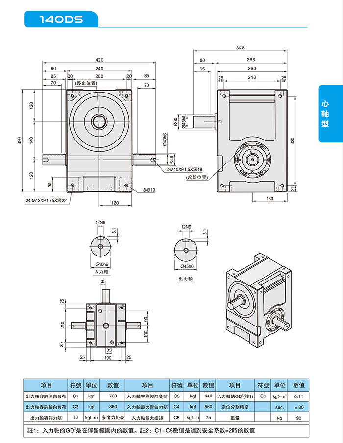
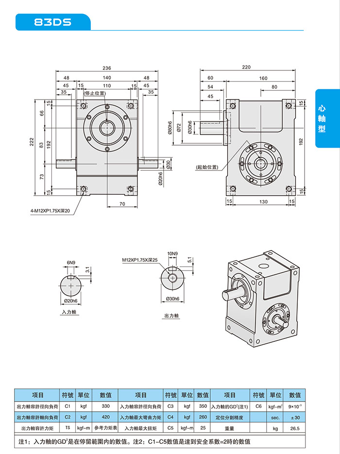
心軸型
上一页
心軸凸緣型
下一页
超薄平台桌面型
东莞市意米精密机械有限公司 版权所有
技术支持:
东莞网站建设
电话
邮件
地图
分享
留言
信息搜索
搜索